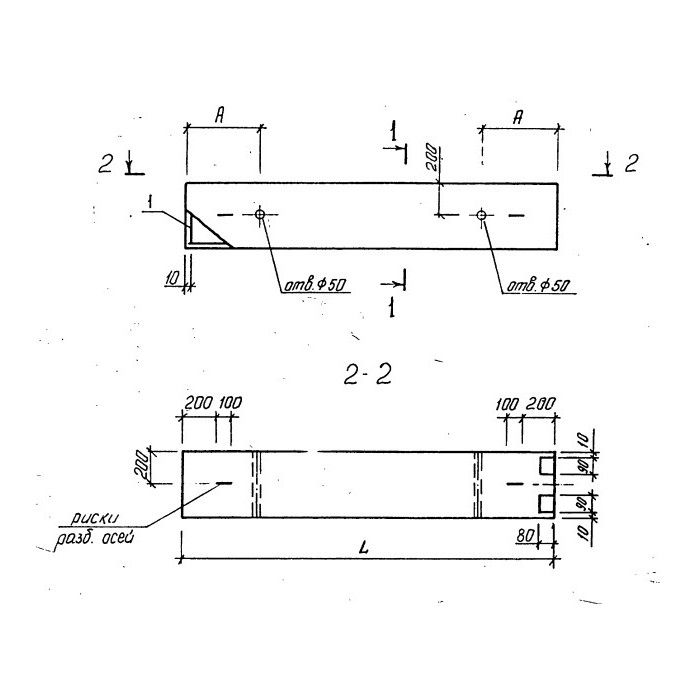
Колонна железобетонная 2КНО 42-42-3-40-00 из серии 1.020.1-4 предназначена для использования в строительстве зданий и сооружений. Она обладает высокой прочностью и устойчивостью к воздействию различных нагрузок, что делает ее идеальным выбором для создания надежных опорных конструкций.









